






产品介绍:
产品名称:4040重型工业铝型材
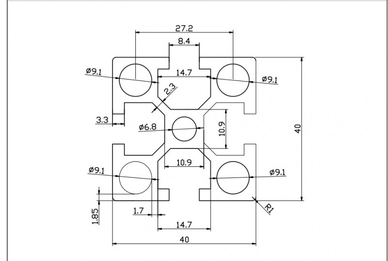
订货编号:JRX-D-4040-3.5
材质:6063-T5铝合金
表面处理:国标阳极电泳
规格:40*40*3.5
长度:6米/条(可根据客户要求切割)
所属系列:工业机架8系列铝型材
用途:设备防护罩、震动盘隔音罩、轻荷重机架、设备门框、工作台、流水线、仪表台、物料架、自动化设备、编带机、切角机、展示柜、样品柜、铝型材货架、电脑桌
产品优点:
1.工业铝型材表面经过氧化后,外观非常漂亮,且耐脏
2.一旦涂上油污非常容易清洗,组装成产品时,根据不同的承重采用不同规格的型材,并采用配套铝型材配件
3.不需要焊接,较环保,而且安装、拆卸、携带、搬移极为方便
4.工业铝型材产品具有强度高、重量轻、耐腐蚀、装饰性好、使用寿命长等
产品特点:
1.我们采用6063-T5的纯铝原材料做挤压,铝成分达国家标准
2.工业铝材硬度达8-12度
3.为了避免在运输过程中出现划、擦、碰伤的情况出现,我们采用收缩膜或珍珠棉包装
4.客户在使用铝材过程中,要注意不要把铝材乱放,不能把铝材放在有水的地方,因为铝材长期放在有水的地方,会出氧化现象,表现会有黑点。
工业铝型材工艺:

1.熔铸是铝型材生产的首道工序。主要过程为:
配料:根据需要生产的具体合金牌号,计算出各种合金的添加量,合理搭配各种原材料。
熔炼:将配好的合金原材料按工艺要求加入熔炼炉融化。
铸造:熔炼好的铝液在一定的铸造工艺条件下,通过深井铸造系统,冷却铸造各种规格的圆铸棒。
2.挤压:挤压是型材成型的手段,先按铝型材的断面设计、制造出模型,利用加热机将加热好的圆铸棒从模具中挤压成形。常用的牌号是6063合金,在挤压的时候还用一个风冷淬火的过程,已完成热处理强化。
3.上色(此次主要讲究氧化、电泳过程)
氧化:挤压好的铝合金型材,其表面耐腐蚀性不强,需通过阳极氧化进行表面处理以增强铝材的抗蚀性、耐磨性及铝材表面的美观度。氧化铝材就是把铝材作为阳极,置于电解液正电解,人为的在铝材表面形成一层具有保护性的氧化膜。
电泳:就是把氧化铝材作为阳极,至于水溶性的乳液中,通以直流电,人为在铝材氧化膜饿表面沉积成涂漆膜保护层。
金瑞翔产品一览
一.安装应用例
铝型材机架、铝型材框架;
设备外壳、设备机箱、电箱;
密封罩、隔音罩、防护罩、安全罩;
流水线、工作台、工作桌;
展示柜、展示架、货架、液晶面板架。


二.铝型材系列:工业铝型材 流水线铝型材 净化铝型材 净化铝合金型材
EF1530、EF3030、EF3030L、EF3060、EF3060L、EF6060、EF6630、EFR3030、EFR6630
EF2020、EF4040、EF4040L、EF4080、EF4080L、EF8080、EF8840、EFR4040、EFR8840.

三.配件系列
铝角码(CRB)、锌合金角码(DCB);
内置连接件(DUJ)、直角连接件(LNT)、角槽连接件(DNS)、一字连接件(DNS)、任意角度连接件(SJ);
菱形螺母、半圆螺母、四方螺母、T型螺母、滑块螺母、弹性螺母;
T型螺栓、杯头内六角螺栓、平头内六角螺栓;
门阻(DSP)、封板胶粒(IMB)、合页(DHI)、拉手(DHA);
铝材端盖(ENC)、铝材饰条(DCR);
脚杯(FT)、脚轮(FW)。

东莞市金瑞翔铝业有限公司是一家专业从事工业铝型材研究、开发、组装、销售于一体的企业。主要经营项目:铝型材机架、封罩、设备外壳;供应各种规格的铝材、各种铝材配件(连接件,紧固件,装饰件,封板配件等).
东莞市金瑞翔铝业有限公司以“信誉为本,客户至上”为宗旨,以客户的需要和利益为根本出发点,为客户提供专业的设计构思,引导设计出外形美观简洁、构造坚固牢靠的满意产品,我们真诚的欢迎新老朋友们来电咨询
联系地址:广东省 东莞市长安镇S358省道锦厦路段293号(长安酒店斜对面)
手机号码:13802390401
联系电话:0769-83067272
传真号码:0769-85351157
腾讯QQ: 2367002147









